Понятие spotter, его русское название споттер, спотер, спот, с английского переводится как «указатель цели» или от основы слова – «точка». Это оборудование, которое относится к одному из видов сварочных аппаратов и по смыслу полностью отвечает своему наименованию. Споттер – аппарат для односторонней точечной сварки, действующий по принципу токового сопротивления. Работа системы споттера заключается в выделении определенного количества тепловой энергии в зоне соприкосновения со свариваемым материалом во время прохождения тока.
Купить споттер
Делятся споттеры на два вида: трансформаторы и инвертора. Трансформаторный споттер своими руками изготовить можно, а вот инверторный собирается только в промышленном производстве. Spotter используется для процесса кузовных работ авто, где действия полуавтомата или ручных инструментов не принесут желаемых результатов. Споттером удаляются вмятины, путем вытягивания.


Из чего состоит споттер и как им пользоваться
Споттеры визуально представляют собой аппарат, который состоит из коробки, кабеля, пистолета (стаддера) и острого прута (электрода). В коробке находится вся система сварочного аппарата, в том числе трансформаторы или инвертора. Сам процесс точечной сварки для кузовных работ авто выглядит так: на месте поврежденного металла приваривается крепеж, к которому закрепляется споттер и с помощью дополнительных механизмов или вручную вытягивается вмятина. Этот способ удобен тогда, когда выровнять поверхность кузова изнутри неудобно или невозможно. При этом существует много преимуществ работы с таким специализированным оборудованием – минимум сил, быстро и без рисков нанести больший ущерб.
Для того чтобы максимально быстро и четко произвести кузовные работы авто нужно соблюдать определенный порядок и технологию процесса, а также учесть небольшие нюансы:
- Поверхность, которая была деформирована, сначала нужно зачистить от любого вида покрытий (лака, краски, ржавчина). Этот этап работы очень важен, потому что от качества соединения двух металлов будет зависеть и результат всего процесса.
- К поверхности, которая будет корректироваться, нужно присоединить контакт заземления.
- На уже очищенную поверхность поврежденного места металла следует приварить крепеж, через который будет присоединен споттер.
- К приваренному крепежу производится захват пистолетом споттера, после чего вмятину вытягивают. Для коррекции поверхности используется обратный молоток, гидроцилиндры, стапели и так далее. Учитывая толщину металла, нужно определить каким именно приспособлением лучше рихтовать вмятину, чтобы не навредить кузову. Допустим, обратный молоток нельзя использовать для алюминия, и оцинкованный кузов возьмет не каждый споттер.
- После завершения рихтовки кузова приваренная деталь скручивается, а контактное место зачищается шлифовальной машинкой.
Как сделать споттер своими руками
Зная устройство сварочного аппарата, можно смело решиться сделать споттер своими руками. Самодельный Spoter будет состоять из подручных деталей, купить нужно только то, чего дома, обычно, не бывает (если желающий собрать споттер не мастер-ремонтник). Суть устройства такова: блок управления передает на стаддер ток, который доходит до электрода, на котором перемещается обратный молоток (металлическая болванка). С помощью обратного молотка корректируется деформированный участок поверхности кузова авто.
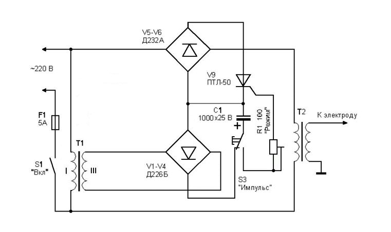
Купить сварочный аппарат такого типа не всегда может быть целесообразно, тем более что стоимость качественного оборудования не так уже и мала. Потому рассмотрим устройство аппарата, чертежи и разберемся как быстро и из чего сделать самодельный споттер. Разберем по схеме блок управления, трансформатор и пистолет.
Блок питания своими руками


Тиристор ПТЛ 50 можно поменять на ТЧ 40, а также на ТЧ 80. Можно составить другую схему, в которой вместо ПТЛ 50, питающего обмотку трансформатора, использовать симистор. Управляется симистор оптопарой, а диодный мост заменить на стабилизатор по микросхеме LM317. Как стабилизатор, можно использовать любой блок питания, который даст хотя бы 10 Вольт. Переменный резистор RP1 устанавливается в цепи провода микросхемы и им можно корректировать напряжение для зарядки конденсатора. Этой манипуляцией регулируется продолжительность импульса для сварки. В случае короткой длительности сварки, следует увеличить емкость С4.

Споттер своими руками: мотаем трансформатор
В процессе создания споттера своими руками, самой трудоемкой работой считается изготовление трансформатора. Обмотка занимает длительное время, но без этого этапа результата не будет (разве что в наличие есть лишний трансформатор). Мотать можно на Ш-образном и кольцевом железе. Провод для второй обмотки можно брать медный или алюминиевый. Изоляцию между мотками нужно делать хорошую из лакоткани или бумаги трансформаторной в несколько слоев (5-6). Бумагу можно, для надежности, пропитать парафином.
Самодельный обратный молоток
Обратный молоток нужен для рихтовки кузовной поверхности. Сначала нужно собрать пистолет и присоединить его к блоку управления. Для этого берется толстый кабель, который присоединяется к электроду, а на кнопку нужно вывести три провода. Длина электрода должна быть в пределах 40-45 см, а в диаметре 12-16 мм. На электрод одевается тяжелая болванка. Она и будет обратным молотком, перемещаться должна свободно. На конец электрода нужно приварить острый наконечник, которым и производится контакт с поверхностью кузова при рихтовке авто.
Силовой соединяющий кабель должен иметь сечение равное или большее, чем шина вторичной обмотки трансформатора. Рекомендуемая длина проводов не должна превышать 2,5 м. На этом, подведем итоги: изготовить споттер своими руками реально.
Купить споттер